Портал для банной печи Эверест 24 Легкий пар Пироксенит Элит

82 390.00
Отзывов: 0
Код товара: О-11257
Характеристики
Показать все характеристики
Описание

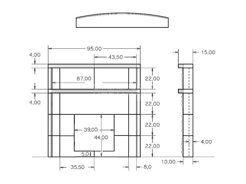
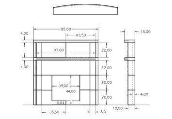
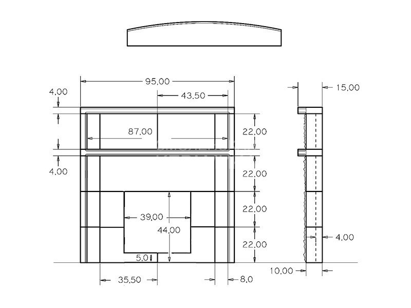
Вопрос оформления дверки банной печи с топкой из смежного помещения всегда был актуальным, и современным решением стали порталы из натурального камня в едином стиле с облицовкой банной печи.
Портал из натурального камня, кроме эстетической функции, имеет ещё ряд преимуществ перед обычными способами отделки печной дверки.
Портал окружает топочную дверку и зольный ящик, уменьшает теплопотери из парной в предбанник, обеспечивает пожаробезопасность топочного тоннеля.

Портал может быть изготовлен из натурального талькохлорита, пироксенита, змеевика, амфиболита или пироксенита элит. Облицовки для банных печей выполнены из этих же видов камня, так что подобрать портал к облицовке банной печи не составит труда. Главным преимуществом универсальных порталов является то, что они совместимы со всеми банными печами, независимо от размеров и модификации топочной дверки. Необходимо лишь выпилить нужный размер в портале для размещения топочного тоннеля и дверки банной печи.

Порталы собираются на металлических направл

Доставка от 1 дня
Гарантированная цена (что это?):
82 390.00 руб. / штуки
Количество
Сумма заказа:
82 390.00 руб.
Отзывы о товаре